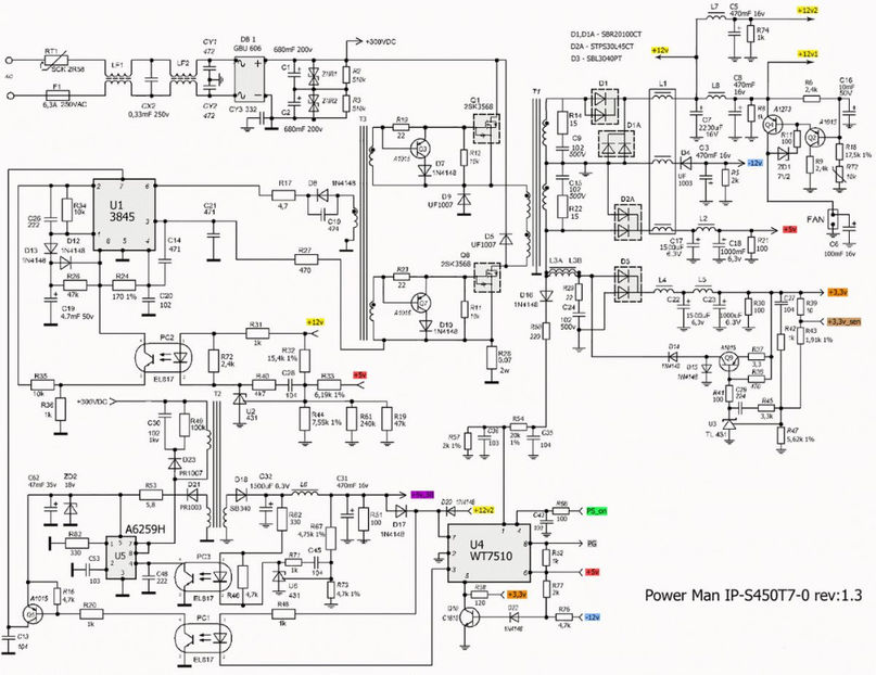
SMPS OK

Album: Foto
Data: 17 martie 2025

Vezi album | Raportează

Manual de service - Floppy Disk MF 6400 EC-5082 - Extras - Bild 27 (1983)(MOM)(DE)[600dpi-Color]
SMPS ptr AAF  20W
SMPS  OK
AAF cu LM317
Alim  LI-IO



Vrei şi tu să îţi faci un album foto online? Înregistrează-te!